Prozesstechnik – Partikeltechnologie
Ihr Partner für innovative Lösungen seit 2007
    
    

Mikroverkapselung – Inducap®-CORE

Mikroverkapselung von Flüssigkeiten in eine feste Mantelhülle (Kernverkapselung)
    
Mikroverkapselung: Die Mikroverkapselung Inducap®-CORE ist eine unserer neu entwickelten Technologien zur Herstellung fester Mikrokapseln mit funktionalen Eigenschaften aus Flüssigkeiten und Pasten. Die mit der Inducap®-CORE Technologie hergestellten, sphärischen Mikrokapseln bestehen aus einem flüssigen Wirkstoffkern, umgeben von einer gelartigen oder festen Außenhülle (Kern-Hülle-Verkapselung) mit funktionalen Eigenschaften beispielsweise hinsichtlich der Festigkeit und Stabilität, der chemischen und thermischen Beständigkeit oder der Freisetzung über die Diffusion.
    
Mikroverkapselung inducap®-CORE
  Beschreibung
  Verfahrenstechnik
  Eigenschaften
  Anwendungsbereiche
  Einsatzbereiche
   
   
   

 nach oben
 
   

Beschreibung

Die Inducap®-CORE Technologie nutzt die Kraftwirkung hydraulischer Impulse in Form von Druckwellen, um vorzugsweise kugelförmige Kapseln (Mikrokapseln, Mikrokugeln) in monodisperser Größenverteilung zu erzeugen. Hierbei werden die flüssigen Ausgangsmedien bestehend aus Kernflüssigkeit (Wirkstoff) und Hüllflüssigkeit (Kapselmantel) durch wechselnde Impulse mit hoher Bewegungsfrequenz in einzelne Flüssigkeitsvolumina (Precursorteilchen) portioniert. Anschließend gelangen die Precursorteilchen in eine Umgebung, die die Verfestigung der Hüllflüssigkeit und Ausbildung zu einzelnen Mikrokapseln bewirkt. Die in Form der nunmehr ausgehärteten Mikrokapseln vorliegenden Ausgangsmedien weisen je nach chemischer Zusammensetzung sowie Form, Größe und Verteilung vorteilhafte chemische, biologische oder physikalische Eigenschaften auf.

Kennzeichnend für diese neue Technologie zur Mikroverkapselung ist unter anderem die konstruktive Sonderausführung der in der Flüssigkeit beweglich eingesetzten Bauteile (Aktoren). Durch konstruktive Maßnahmen erzeugen die Aktoren lediglich die hydraulischen Impulse unter Ausstoß kleinster Mikrokapseln und wirken nicht wie die Verdrängerelemente volumetrischer Pumpen. Im Umkehrschluss hat eine Druckbeaufschlagung auch keinen Einfluss auf die freie, exakte Beweglichkeit der Aktoren. Während der pulsierenden Durchströmung der Kernflüssigkeit durch die äußere Hüllflüssigkeit wird zudem nur ein im Verhältnis zur Kernflüssigkeit geringer Anteil an Hüllflüssigkeit mitgezogen und bildet hierdurch einen dünnen, umhüllenden Flüssigkeitsfilm aus. Mit der Inducap®-CORE Mikroverkapselung kann daher auf einfache Art und Weise neben der Verarbeitung niedrigviskoser Flüssigkeiten auch eine Verarbeitung hochviskoser Fluide bzw. zähflüssiger Pasten unter großem Überdruck erfolgen.



• Mikroverkapselung von Flüssigkeiten und Pasten
• Verarbeitung hochviskoser Pasten mit bis zu 30 barÜ
• Verarbeitung niedrigviskoser Flüssigkeiten und Schmelzen
• Erreichbarer Durchmesser (sphärische Form): 0,8 mm - 10 mm
• Teilchenformen nach der Verkapselung z.B. als Mikrokugeln
• Hohe Durchsatzmengen nahezu verlustfrei verarbeitbar
• Mikroverkapselung unter sterilem Betrieb möglich

 
Abb.:  Animation (slow motion) zum Prinzip der Inducap®-CORE Technologie
© 2007 -   Inducap GmbH
 
   
   

 nach oben
 

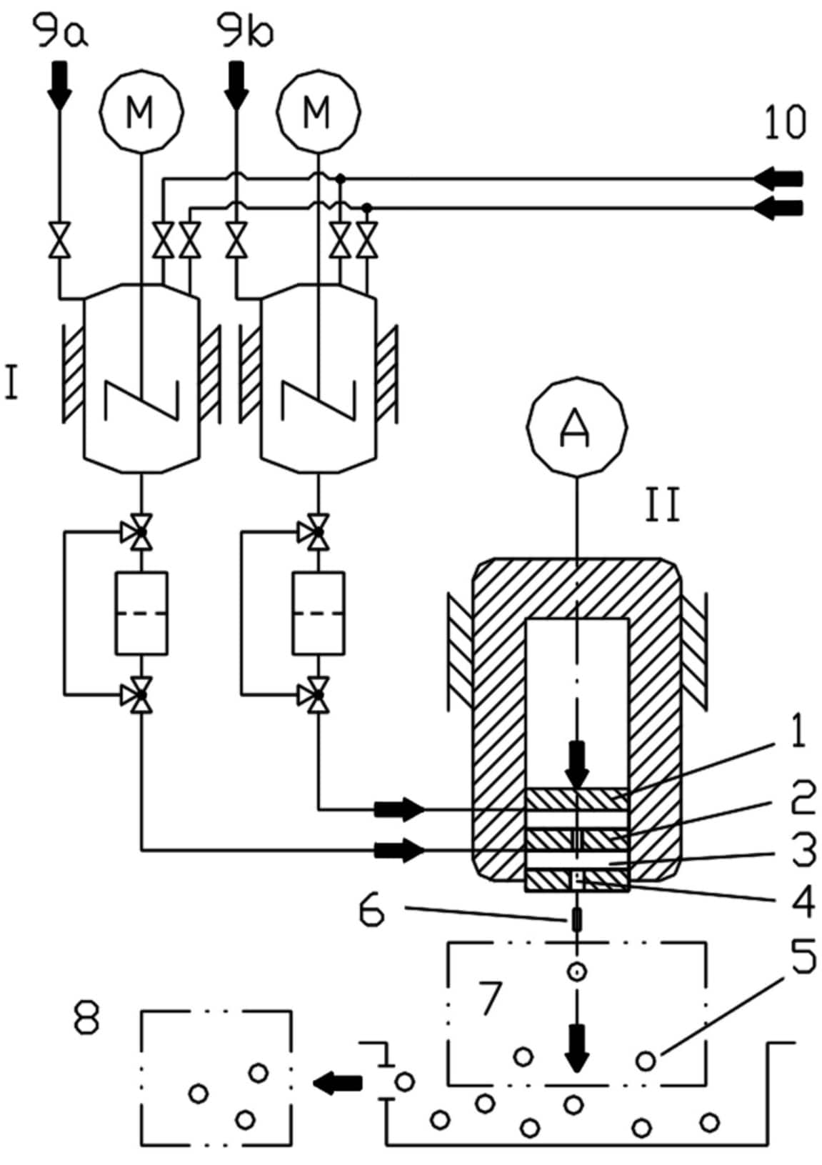
Verfahrenstechnik

Prinzip der Mikroverkapselung (Inducap®-CORE-Mikroverkapselung)           Verfahrensfließbild          
I Vorlagebehälter mit Rührwerk;
II Hochdruckimpulskopf;
1, 2 Aktoren;
3 Hüllfüssigkeit;
4 Düsenöffnung;
5 Mikropartikel;
6 Precursorteilchen;
7 Verfestigungsumgebung;
8 Weiterführende Verarbeitung;
9a, 9b Zuleitungen für Wirkstoff- und Hüllflüssigkeit;
10 Zuleitungen für Zusatzmedien




Verfahrensprinzip Inducap®-CORE-Mikroverkapselung


























Mikroverkapselung / Mikrokapseln: Prinzip der Mikroverkapselung Inducap®-CORE

Mikroverkapselung: Das als Hüllflüssigkeit eingesetzte Fluid und der zu verkapselnde Wirkstoff werden in getrennten, wahlweise beheizbaren Rührbehältern vorgelegt und über beheizbare Pumpen zum Zweistoffmultidüsenkopf gefördert.

Der konzentrisch mit einer inneren Kerndüse und einer äußeren Ringdüse ausgeführte Zweistoffmultidüsenkopf ist mit einem linearen Impulsgeberantrieb ausgestattet. Der Durchfluss der inneren Kernflüssigkeit wird durch die lineare Bewegung eines Kolbens gegen die Austrittsöffnungen der Kerndüsen in schneller, wechselnder Folge unterbrochen und erneut frei gegeben. Während der pulsierenden Durchströmung der Kernflüssigkeit durch die äußere Hüllflüssigkeit wird ein geringer Anteil an Hüllflüssigkeit mitgezogen und bildet hierdurch einen gleichbleibenden, umhüllenden Flüssigkeitsfilm aus. Die mit einer Hüllflüssigkeit umschlossenen, flüssigen Tropfen gelangen unmittelbar in eine Verfestigungsumgebung.

Die Verfestigungsumgebung wird mit Reaktionsflüssigkeit oder Kühlmedium durchströmt und bedingt die Härtung der Hüllflüssigkeit unter Ausbildung der Kapselhülle. Die Kernflüssigkeit behält ihren flüssigen Zustand bei. Die Mikrokapseln werden nachfolgend von der Reaktionsflüssigkeit getrennt und können weiteren Verarbeitungs- oder Verpackungsprozessen zugeführt werden.

Es können eine Vielzahl an hydrophilen und lipophilen Flüssigkeiten sowie Emulsionen und Suspensionen oder bioaktiven Substanzen wie Enzyme, Zellen und Mikroorganismen mikroverkapselt werden. Als Hüllstoff werden beispielsweise je nach Anwendungsfall Biopolymere oder synthetische Polymere, Naturharze oder schmelzbare Stoffe wie Wachs oder Kunststoff eingesetzt.



 
   

 nach oben
 

Eigenschaften der Mikrokapseln

In Abhängigkeit von den Eigenschaften und der Kombination der Ausgangsflüssigkeiten (Kern- und Hüllflüssigkeit) können eine Vielzahl unterschiedlicher Mikrokapseln mit der Inducap®-CORE Technologie entwickelt und hergestellt werden. Die Verarbeitung von Stoffmischungen wie beispielsweise die Verkapselung von Suspensionen mit hohem Feststoffanteil oder Emulsionen ist ebenfalls möglich, so dass die funktionalen Eigenschaften der Mikrokapseln auf den jeweiligen Anwendungsfall hin optimal angepasst werden können.

Eine zusätzliche Beschichtung der Mikrokapseln (Coating) zur Herstellung von Multi-Layer-Kapseln (MLC) kann durch die Vertropfung der Kern- und Hüllflüssigkeit mit der Inducap®-CORE Technologie in Kombination mit dem Sprühcoating-Verfahren HiDrip®-SHELL erfolgen. Die Kapselhülle kann des Weiteren modifiziert und durch zusätzliche Wasch- und Spülprozesse mit Reaktionskomponenten gehärtet sowie nachfolgend getrocknet werden.


Core-Shell-Mikrokapseln mit brechbarer Außenhülle - ©Inducap GmbH

Abb.: Mikrokapseln mit Kernfluid, Kapselhülle zerbricht bei mechanischer Beanspruchung, Kernfluid wird freigesetzt.
© 2007 -   Inducap GmbH


Aufbau und Eigenschaften von Mikrokapseln (Auszug):

  • Mikrokapseln mit lipophiler Kernflüssigkeit mit fester, brechbarer Außenhülle
  • Mikrokapseln mit hydrophiler Kernflüssigkeit mit fester, brechbare Außenhülle
  • Mikrokapseln mit lipophiler Kernflüssigkeit mit weicher, zerplatzbarer Außenhülle durch Druck oder Temperatur
  • Kapseln mit hydrophiler Kernflüssigkeit mit weicher, zerplatzbarer Außenhülle durch Druck oder Temperatur
  • Kapseln mit Kernsuspension aus Pulver und hydrophiler Flüssigkeit mit fester oder gelartiger Außenhülle
  • Mikrokapsel mit Kernemulsion aus hydrophiler und lipophiler Flüssigkeit mit fester oder gelartiger Außenhülle
  • Mikrokapsel mit Kerndispersion aus bioaktiver Substanz (Zellen, Enzyme, Algen, Mikroorganismen) mit fester Außenhülle
  • Mikrokapsel mit Kernflüssigkeit und semipermeabler Außenhülle
  • Mikrokapsel mit gehärteter oder modifizierter Außenhülle
  • Mikrokapseln mit zusätzlichen Außenhüllen als Muli-Layer-Kapsel (MLC) durch Coating


   

 nach oben
 

Anwendungsbereiche für Mikrokapseln

  • Mikroverkapselung von flüssigen, pulverförmigen oder bioaktiven Wirkstoffen
  • Mikroverkapselung und Fixierung von flüchtigen Stoffen
  • Verkapselung zum Schutz vor chemischen Reaktionen (Feuchtigkeit, Sauerstoff, Licht)                                     
  • Verkapselung zur Verbesserung der Dosierbarkeit von Stoffen
  • Mikroverkapselung zur Reduzierung der elektrostatischen Aufladung
  • Mikroverkapselung zur Reduzierung von allergischen Reaktionen
  • Verkapselung zur Erzielung optischer Farb- und Glanzeffekte
  • Verkapselung mit Depotwirkung zur kontrollierten Freisetzung von Wirkstoffen
  • Coating zur Geruchs- und Geschmacksmaskierung
  • Coating zur Trennung unterschiedlicher Substanzen
  • Mikroverkapselung zu funktionalen Partikeln


 
   

 

Einsatzbereiche für Mikrokapseln

  • Medizin und Pharmaindustrie: Verkapselung von Schmerzmitteln, Vitaminen, ätherischen Ölen, Omega-3 Fettsäuren.
  • Biotechnologie und Bioverfahrenstechnik: Immobilisierung von Mikroorganismen, Enzymen, Hefen, Pilze.
  • Lebensmitteltechnologie: Verkapselung von Aromen, Farbstoffen, Pflanzenölen, Fischölen (Marineölen), Mineralstoffen, Nahrungsergänzungsmitteln, Antioxydantien, tierischen Fetten, Aminosäuren, Ballaststoffen, Milchsäurebakterien.
  • Kosmetikindustrie: Verkapselung von Pflegezusätzen in Form von mikroverkapselten Ölen, Duftstoffen und pigmentierten Farbstoffen für Farbeffekte und Dosierzwecke, für Shampoos, Duschgels, Schaumbäder, Haargele, UV-Schutzmittel, Zahncreme, Mundspülmittel.
  • Agrochemie und Futtermittelindustrie: Verkapselung von Düngemitteln, Pestiziden, Fungiziden, Herbiziden, Hormonen, Vitaminen, Spurenelementen, Medikamenten.
  • Industrie und Technik allgemein: Verkapselung von Tinten für Durchschreibpapier, Duftverkapselung auf Papier für z.B. Werbezwecke, Schmierstoffe und Öle, Zweikomponentenkleber, Waschmittelzusätze, Flammschutzmittel, Wärmeträgeröle, Reinigungsmittel, Lösungsmittel, Textilhilfsmittel, Bleichmittel, Fettlöser, funktionale Mikrokapseln wie z.B. optische Anzeiger, pigmentierte Mikrogranulate.




 
 nach oben